聯系我們
- 聯系人:郭經理
- 傳真:010-69552656
- 電話:400-0346-119
- 電話:010-57491119
- 郵箱:506665119@qq.com
- 地址:北京通州區M5運河1號3號樓403室
利達LD6800ED-1輸入輸出模塊 控制模塊
時間:2018-09-27 16:56:51 品牌: 利達
![[!--oldtitle--]](/d/file/baojingshebei/2018-09-27/0e55c0facfd54a6a4186d45f6766d1f7.jpg)
一、LD6800ED-1輸入輸出模塊概述
LD6800ED-1采用單片機和智能軟件,特殊防潮技術、表面貼裝(SMT)生產工藝和插拔式結構設計,工作穩定可靠,具有較強的抗干擾能力。主要用于送風機、排風機、電梯、切斷電源、空調等設備的控制,可以與利達公司生產的E/EN/EL系列火災報警控制器配合使用。本產品無污染、功耗低,適用于各種工業及民用建筑。
二、LD6800ED-1輸入輸出模塊技術特性

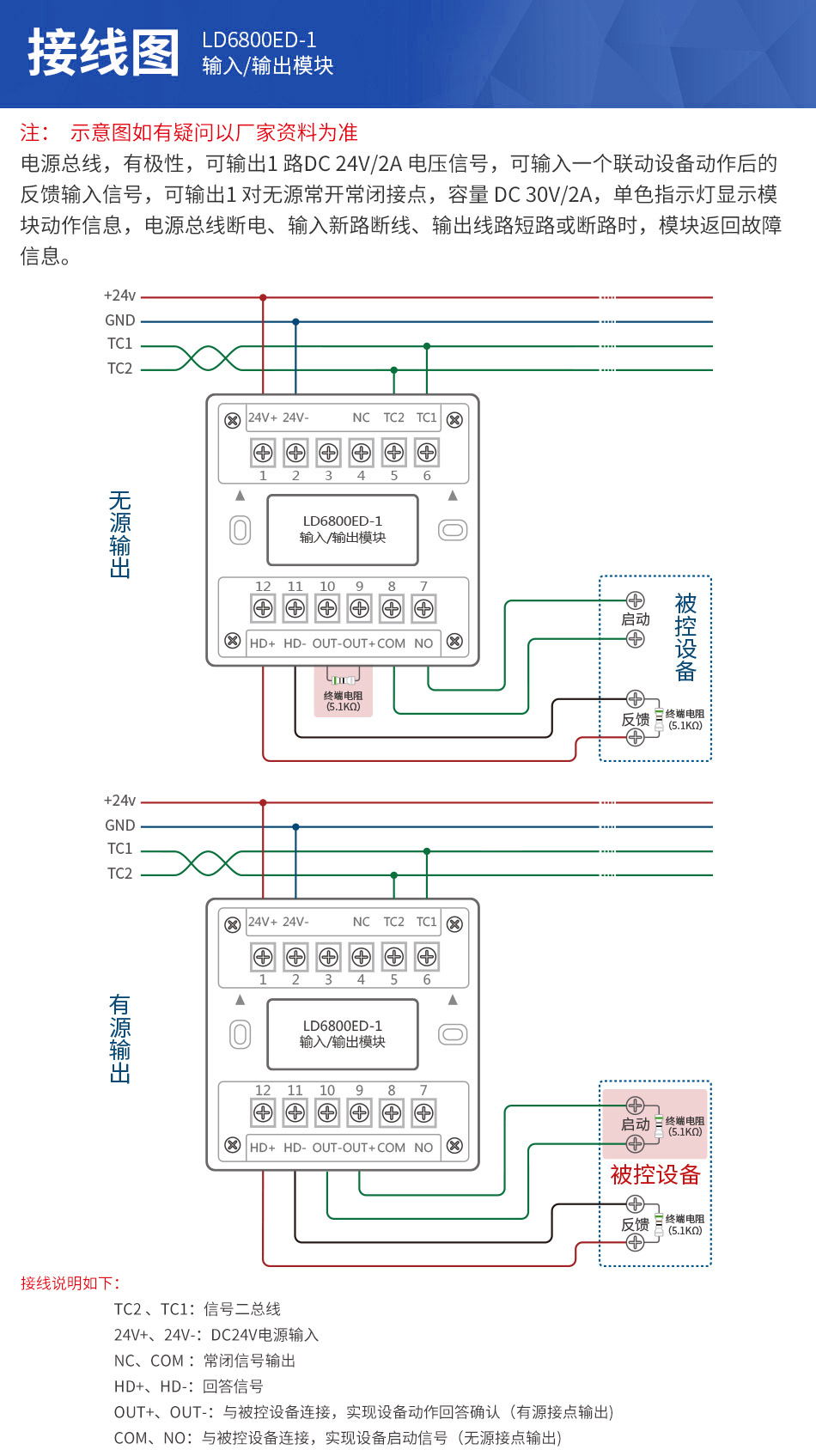
★二總線,無極性;
★ 電源總線,有極性;
★ 可輸出1路DC 24V/2A電壓信號;
★ 可輸入一個聯動設備動作后的反饋輸入信號;
★ 可輸出1 對無源常開常閉接點,容量DC 30V/2A;
★ 占一節點地址,采用電子編碼方式編址(0-255);
★ 單色指示燈顯示模塊動作信息;
★ 電源總線斷電、輸入新路斷線、輸出線路短路或斷路時,模塊返回故障信息。
三、LD6800ED-1輸入輸出模塊主要技術指標
電源總線電壓:DC 24V
二總線電壓:DC 18V
輸出信號:有源(電壓)DC 24V/2A
輸入信號:無源開關量信號輸入
工作環境溫度:-40℃~+55℃
工作環境相對濕度:≤95%((40±2)℃,無凝露)
輸出動作指示燈:輸出動作時紅色常亮
輸入動作指示燈:輸入動作時紅色常亮
四、LD6800ED-1輸入輸出模塊工作原理
LD6800ED-1輸入/輸出模塊與E/EN/EL系列火災報警控制器配合使用。LD6800ED-1輸入/輸出模塊通過二總線與E/EN/EL系列控制器連接,控制器通過二總線查詢模塊節點狀態、設置模塊節點參數、控制模塊啟動輸出;模塊實時檢測輸入信號、輸入/輸出線路狀態,當出現反饋輸入或者輸入/輸出線路故障時,模塊通過二總線上傳反饋或者故障信號。